INTELIGENTNA WYSZUKIWARKA
Wystarczy wpisać nazwę części i model samochodu lub numer OEM
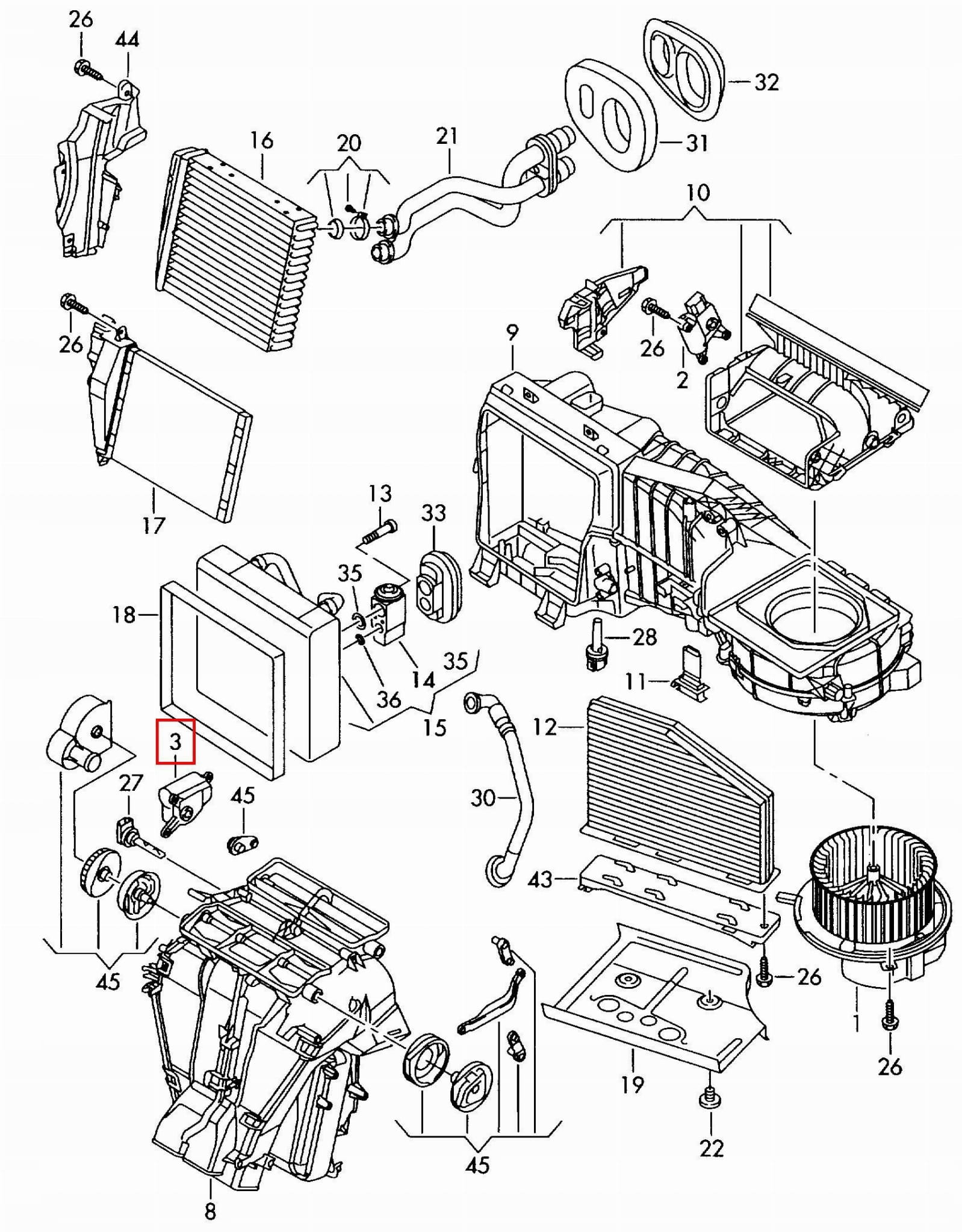
SILNICZEK NAGRZEWNICY VW TOURAN 1T3 LIFT 1.4 TSI 1K1907511C
Cena regularna:
towar niedostępny
dodaj do przechowalni
0
Opis
VW TOURAN 1T3 LIFT 1.4 TSI
SILNICZEK NAGRZEWNICY
STAN JAK NA ZDJĘCIACH
ORYGINAŁ
#70954 - H2RE4L 2/1-2 SK 6-1
Część wymontowana z
- marka : VW TOURAN 1T3 LIFT
-rocznik : 2012
-lata prod : 2003-2015 w 2006 przprowadzono 1 lift w 2010 2 lift
-silnik : 1.4 TSI Eco Fuel 110KW 150 KM
-kod silnika : CDG CDGA
-skrzynia biegów : AUTOMAT
-kod skrz bieg : QAL NQA
-nadwozie : Minivan
-klimatyzacja : tak CLIMATRONIK
-kod lakieru : : LA5H
-wnętrze : : -------
-ele szyby : Tak x 4
-ele lusterka : Tak
-przebieg : 190 000
-abs : TAK ESP
-security code : -----
- WERSJA EUROPEJSKA
Podgrzewane fotele przód, multifunkcja, tempomat, isofix, koła lau 16''
Produkt został wprowadzony do obrotu na terenie UE przed 13.12.2024
paczka 365 opisał Dawid, wystawił Rafał

Wyświetlane są wszystkie opinie (pozytywne i negatywne). Nie weryfikujemy, czy pochodzą one od klientów, którzy kupili dany produkt.